Hvězdárna Valašské Meziříčí
www.astrovm.cz
Zřizovatelem organizace je
   


02.12.2025
Rozhovor s Terezou Bednářovou z týmu Zero-G

V rámci semináře Kosmonautika, raketová technika a kosmické technologie na naší hvězdárně přednášela mladá a nadějná studentka VUT a jedna z 26 vybraných účastníků mise Zero-G. Právě na této misi měla Tereza možnost zažít stav beztíže. Jaké to bylo, kolikrát ho vlastně zažila, ale taky čemu se ve volném čase věnuje člověk snící o vývoji satelitů, se dočtete zde.

22.11.2025
Otevření Kulturního a kreativního centra

Na počátku listopadu hvězdárna slavnostně otevřela novou budovu. Ta vyrostla na místě bývalých garáží v rámci projektu, jehož součástí byly největší změny v areálu hvězdárny za posledních zhruba 60 let. Cílem projektu Kulturní a kreativní centrum – Hvězdárna Valašské Meziříčí, p. o. spolufinancovaným Evropskou unií a Národním plánem obnovy bylo vybudování nového regionálního kreativního centra atraktivního nejen pro návštěvníky, zejména studenty, ale také pro partnery i z jiných regionů, otevírající dveře další spolupráci a inovacím a prohloubení mezisektorové spolupráce nejen v regionu.

15.07.2025
Rozšiřování kamerové sítě: Výzkum meteorů spojující střední Evropu a jižní oblohu v Chile

Z české hvězdárny až pod hvězdnaté nebe chilských And. Cesta, která propojuje dvě polokoule jediným cílem: zachytit stopu minulosti Sluneční soustavy – a právě jejich zachycení a analýza spojují evropské nebe s chilskými výšinami. Nová síť kamer a spektrografů sleduje meteory, které nám odhalují chemické složení dávných těles a možná i samotný původ planet. Za technickým pokrokem se skrývají měsíce příprav, testování a náročná instalace v nesnadných podmínkách Jižní Ameriky. Jak se český tým vydal naproti vesmíru a proč je jižní obloha pro výzkum taktéž důležitá?

Přihlašte se k odběru aktualit AKA, novinek z hvězdárny a akcí:

S Vašimi osobními údaji pracujeme dle našich zásad zpracování osobních údajů.

Více informací o zasílání novinek

Nacházíte se: Úvodní » Aktuality AK » Cukry a hvězdný prach nalezené ve vzorcích z asteroidu Bennu

Cukry a hvězdný prach nalezené ve vzorcích z asteroidu Bennu

05.12.2025
Mozaika snímků asteroidu Bennu
NASA/Goddard/University of Arizona

Asteroid Bennu nadále poskytuje vědcům nová vodítka k největším otázkám týkajícím se formování rané Sluneční soustavy a původu života. V rámci probíhajícího studia nedotčených vzorků, které na Zemi doručila kosmická sonda NASA s názvem OSIRIS-REx (Origins, Spectral Interpretation, Resource Identification, and Security-Regolith Explorer), představily v úterý tři nové články v časopisech Nature Geosciences a Nature Astronomy pozoruhodné objevy: cukry nezbytné pro biologii, gumovitou látku, která dosud ve vesmírných materiálech nebyla pozorována, a neočekávaně vysoké množství prachu produkovaného explozemi supernov.

Cukry nezbytné pro život
Vědci pod vedením Jošihira Furukawy z Tohoku University v Japonsku objevili ve vzorcích z Bennu cukry nezbytné pro biologii na Zemi a svá zjištění podrobně popsali v časopise Nature Geoscience. Byl nalezen cukr ribóza s pěti uhlíky a poprvé v mimozemském vzorku i šestiuhlíková glukóza. Ačkoliv tyto cukry nejsou důkazem života, jejich detekce spolu s předchozími detekcemi aminokyselin, nukleobází a karboxylových kyselin ve vzorcích z Bennu ukazuje, že stavební bloky biologických molekul byly rozšířené po celé Sluneční soustavě.

Pro život na Zemi jsou cukry deoxyribóza a ribóza klíčovými stavebními kameny DNA a RNA. DNA je primárním nositelem genetické informace v buňkách. RNA plní řadu funkcí a život, jak ho známe, by bez ní nemohl existovat. Ribóza v RNA se používá v cukernato-fosfátové „páteři“ molekuly, která spojuje řetězec nukleobází nesoucích informaci.

Všech pět nukleobází používaných ke konstrukci DNA i RNA, společně s fosfáty, již bylo nalezeno ve vzorcích z Bennu, které na Zemi přivezl OSIRIS-REx,“ řekl Furukawa. „Nový objev ribózy znamená, že všechny složky tvořící molekulu RNA jsou na Bennu přítomny.“

Bioesenciální cukry ribóza a glukóza ve vzorcích
z asteroidu Bennu
Credit: NASA/Goddard/University of Arizona/
Dan Gallagher

Objev ribózy ve vzorcích asteroidů není úplným překvapením. Ribóza byla dříve nalezena ve dvou meteoritech, které dopadly na Zemi. Důležité na vzorcích z Bennu je, že vědci nenašli deoxyribózu. Pokud je Bennu nějakým ukazatelem, znamená to, že ribóza mohla být v prostředí rané Sluneční soustavy běžnější než deoxyribóza.

Vědci se domnívají, že přítomnost ribózy a absence deoxyribózy podporuje hypotézu „světa RNA“, kde první formy života spoléhaly na RNA jako primární molekulu pro ukládání informací a řízení chemických reakcí nezbytných pro přežití.

Tým japonských a amerických vědců objevil bioesenciální cukry ribózu a glukózu ve vzorcích asteroidu Bennu, které byly odebrány v rámci mise OSIRIS-REx agentury NASA. Toto zjištění navazuje na dřívější objev nukleobází (genetických složek DNA a RNA), fosfátu a aminokyselin (stavebních kamenů proteinů) ve vzorcích z Bennu, což ukazuje, že molekulární složky života mohly být na ranou Zemi doručeny meteority.

Záhadná starověká „guma“
Druhý článek v časopise Nature Astronomy, vedený Scottem Sandfordem z Ames Research Center NASA v California’s Silicon Valley a Zackem Gainsforthem z University of California, Berkeley, odhaluje gumovitý materiál ve vzorcích z asteroidu Bennu, který dosud nebyl ve vesmírných horninách nalezen – něco, co mohlo pomoci připravit půdu pro vznik životních složek na Zemi. Tato překvapivá látka pravděpodobně vznikla v raných dobách Sluneční soustavy, když se mladý mateřský asteroid Bennu zahříval.

Tato starověká „vesmírná guma“, kdysi měkká a pružná, ale od té doby ztvrdlá, se skládá z polymerům podobných materiálů, které jsou extrémně bohaté na dusík a kyslík. Takové komplexní molekuly mohly poskytnout některé z chemických prekurzorů, které pomohly spustit život na Zemi. Jejich nalezení v nedotčených vzorcích z Bennu je důležité pro vědce, kteří studují, jak život začal a zda existuje i mimo naši planetu.

Předchůdce asteroidu Bennu vznikl z materiálů sluneční mlhoviny – rotujícího oblaku plynu a prachu, který dal vzniknout Sluneční soustavě – a obsahoval řadu minerálů a ledu. Jak se asteroid začal zahřívat v důsledku přirozeného záření, vznikla sloučenina zvaná karbamát procesem zahrnujícím amoniak a oxid uhličitý. Karbamát je rozpustný ve vodě, ale přežil dostatečně dlouho na to, aby polymeroval, reagoval sám se sebou a s dalšími molekulami a vytvořil větší a složitější řetězce nepropustné pro vodu. To naznačuje, že vznikl dříve, než se mateřské těleso dostatečně ohřálo, aby se stalo vodným prostředím.

S touto podivnou látkou se díváme dost možná na jednu z prvních změn materiálů, ke kterým v této hornině došlo,“ řekl Sandford. „Na tomto primitivním asteroidu, který vznikl v raných dobách Sluneční soustavy, sledujeme události blízko jeho počátku.“

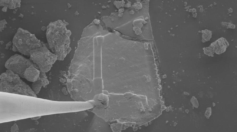
Sandfordův tým pomocí infračerveného mikroskopu vybral neobvyklá, na uhlík bohatá zrna obsahující hojné množství dusíku a kyslíku. Poté zahájili to, co Sandford nazývá „kovářstvím na molekulární úrovni“, a to s využitím Molecular Foundry v Lawrence Berkeley National Laboratory (Berkeley Lab) v Berkeley v Kalifornii. Nanesli ultratenké vrstvy platiny, vyztužili částici, přivařili wolframovou jehlu, aby drobné zrno zvedli, a fragment oholili pomocí zaostřeného paprsku nabitých částic.

Výzkum mikroskopické částice asteroidu Bennu
Credit: NASA/University of California, Berkeley

Když byla částice tisíckrát tenčí než lidský vlas, analyzovali její složení pomocí elektronové mikroskopie v Molecular Foundry a rentgenové spektroskopie v Advanced Light Source v Berkeley Lab. Vysoké prostorové rozlišení a citlivé rentgenové paprsky ALS umožnily bezprecedentní chemickou analýzu.

Věděli jsme, že máme něco pozoruhodného, hned jak se na monitoru začaly objevovat snímky,“ řekl Gainsforth. „Bylo to něco, co jsme nikdy neviděli, a měsíce nás pohlcovala data a teorie, když jsme se snažili pochopit, co to vlastně je a jak to mohlo vzniknout.“

Mikroskopická částice asteroidu Bennu, kterou na Zemi přivezla mise OSIRIS-REx, je na připojeném obrázku manipulována pod transmisním elektronovým mikroskopem. Aby vědci mohli fragment přesunout k další analýze, nejprve jej vyztužili tenkými proužky platiny (tvar „L“ na povrchu částice) a poté k němu přivařili wolframovou mikrojehlu. Fragment asteroidu měří 30 mikrometrů v průměru.

Zdroj: https://www.nasa.gov/missions/osiris-rex/sugars-gum-stardust-found-in-nasas-asteroid-bennu-samples/

autor: František Martinek


   

Tato stránka je vytištěna z webu www.astrovm.cz
Těšíme se na Vaši návštěvu.
WebArchiv Hvězdárna Valašské Meziříčí, příspěvková organizace, Vsetínská 78, 757 01 Valašské Meziříčí
Příspěvková organizace Zlínského kraje. Telefon: 571 611 928, Mobil: 777 277 134, E-mail: info@astrovm.cz
Jak chráníme Vaše osobní údaje | Nastavení cookies | Vyrobil: WebConsult.cz